Модель: MAPRF

Библиотека: Signals

Имя на уровне решателя: MAPRF

Аннотация: Функция аппроксимации сплайном

Обозначение: Функция аппроксимации сплайном

Порты (степени свободы) компонента:

Обозначение порта

Тип

Наименование порта

1

Port1

base.DOF1

Сигнальный входной порт

2

Port2

base.DOF1

Сигнальный выходной порт 1

3

Port3

base.DOF1

Сигнальный выходной порт 2

4

Port4

base.DOF1

Сигнальный выходной порт 3

Пользовательские параметры модели

Параметр

Тип

Описание

Значение по умолч.

1

FLAG

base.integer

Параметр включения первой и последней точек таблицы при сглаживании, При FLAG = -1 результирующая функция проходит через исходные крайние точки.

1

2

GU1

base.real

Величина граничного значения для начальной точки таблицы (при TYPE1 = 1 или 2)

0.0

3

GU2

base.real

Величина граничного значения для конечной точки таблицы (при TYPE2 = 1 или 2)

0.0

4

L

base.integer

Количество точек, используемых для построения сглаживающих полиномов

3

5

P

base.integer

Степень полиномов, используемых для предварительного локального сглаживания табличных значений

3

6

SCALE

base.real

Коэффициент масштабирования значений функции, заданных в таблице

1.0

7

TYPE1

base.integer

Тип задаваемого граничного условия для начальной точки таблицы :1 - задается значение 1-й производной; 2 - задается значение 2-й производной, любое другое значение - принимается, что 2-я производная в точке равна 0.

0

8

TYPE2

base.integer

Тип задаваемого граничного условия для конечной точки таблицы. TYPE2 = 1 - задается значение 1-й производной; 2 - задается значение 2-й производной; любое другое - принимается, что 2-я производная в точке равна 0.

0

9

Table

base.real

Ссылка на таблицу значений функции от времени. Для ручного ввода значений функции: нечетный параметр - момент времени, четный параметр - значение функции.

0,0,1,1,2,2,3,3

Параметры(worklist):

Название

Тип

Описание

1

interpolation_is_done

base.integer

Флаг, что интерполяционные полиномы получены (=0) или нет (=-1)

Результаты тестирования
../../../../_images/logo_ru_no_text.png

www.laduga.com

Глава 1. Заданные параметры теста

Название тестируемого компонента

MAPRF

Модуль тестируемого компонента

Signals

Дата тестирования

Thu Mar 12 18:49:59 2026

Результат

OK

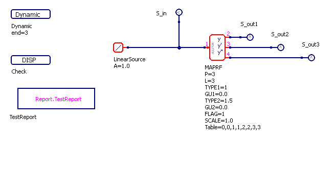
Глава 2. Схема тестируемого объекта
Функция аппроксимации сплайном - MAPRF
Параметры:
P - степень полиномов
L - количество точек
TYPE1 - тип задаваемого граничного условия для начальной точки таблицы
GU1 - величина граничного значения для начальной точки таблицы
TYPE2 - тип задаваемого граничного условия для конечной точки таблицы
GU2 - величина граничного значения для конечной точки таблицы
FLAG - параметр включения первой и последней точек таблицы при сглаживании
SCALE - коэфф. масштабирования
Table - ссылка на таблицу значений функции от времени
Параметр Table формируется по форме:
1. Заданием значений: Table=X,Y,X1,Y1,...,Xn,Yn
2. Либо с помощью таблицы значений: Table=ImportData
../../../../_images/MAPRF.sch.png

Рисунок 1 - Схема теста

Глава 3. Графики результатов теста
../../../../_images/MAPRF.RUN.png

Рисунок 2 - MAPRF.RUN

../../../../_images/MAPRF.Check.png

Рисунок 3 - MAPRF.Check